合金钢材料,镀镍,双剪梁结构,焊接密封,压向承载。
防护等级IP68.
适用于电子汽车衡、料斗秤、轨道衡及各类电子称重设备。
推荐选择型号:
| xxklb | C3 | HM9C-C3-xxk-9B |
| 10klb-15klb通过德国PTB C3级测试。 | ||
技术指标
| 额定载荷 | klb | 10/20/30/40/50/60/75 |
| 精度 | C3 | |
| 最大检定分度数 | n max | 3000 |
| 最小检定分度值 | v min | Emax/10000 |
| 综合误差 | (%FS) | ≤±0.020 |
| 蠕变 | (%FS/30min) | ≤±0.016 |
| 温度对输出灵敏度的影响 | (%FS/10℃) | ≤±0.011 |
| 温度对零点输出的影响 | (%FS/10℃) | ≤±0.015 |
| 输出灵敏度 | (mv/v) | 3.0±0.008 |
| 输入阻抗 | (Ω) | 700±7 |
| 输出阻抗 | (Ω) | 703±4 |
| 绝缘阻抗 | (MΩ) | ≥5000(50VDC) |
| 零点输出 | (%FS) | ≤±1.0 |
| 温度补偿范围 | (℃) | -10~+40 |
| 允许使用温度范围 | (℃) | -35~+70 |
| 推荐激励电压 | (V) | 5~12(DC) |
| 最大激励电压 | (V) | 18(DC) |
| 安全过载范围 | (%FS) | 150 |
| 极限过载范围 | (%FS) | 300 |
| ATEX等级(可选) | II1G Ex ia 1C T4 II1D Ex ia D20 T73℃ II3G Ex nL IIC T4 |
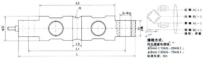
外形尺寸mm(inch)

| 量程(klb) | L | L1 | L2 | L3 | D | d | H | R |
| 10 | 206.2 (8.12) | 174.6 (6.88) | 133.1 (5.24) | 15.7 (0.62) | φ43.2 (1.7) | φ16.7 (0.66) | 28.4 (1.12) | R12.7 (0.5) |
| 20 | 206.2 (8.12) | 174.6 (6.88) | 133.1 (5.24) | 21.6 (0.84) | φ49.5 (1.95) | φ16.7 (0.66) | 28.4 (1.12) | R12.7 (0.5) |
| 30~75 | 260.4 (10.25) | 215.9 (8.5) | 165.1 (6.5) | 25.4 (1.0) | φ76.2 (3.0) | φ26.9 (1.06) | 60.2 (2.37) | R25.4 (1.0) |
服务热线:400-1010-998
您现在的位置:
