合金钢材料,表面镀镍,双剪切梁结构设计,全密封焊接,防油、防水、防一般腐蚀性气体和介质,可适用于各种环境。
适用于电子汽车衡、轨道衡等各类电子称重设备。
HM9A型称重传感器可满足10t-50t量程范围内的精确测量。
推荐选择型号:
| xxklb | A5M/B10M | HM9A-xx-xxk-9B |
| 5klb-250klb通过NTEP A5M/B10M级认证 | ||
技术指标
| 额定载荷 | t | 10/15/20/25/30/40/40SE/50 | ||||
| 精度 | C1 | C2 | C3 | A5M | B10M | |
| 最大检定分度数 | n max | 1000 | 2000 | 3000 | 5000 | 10000 |
| 最小检定分度值 | v min | Emax/3000 | Emax/5000 | Emax/10000 | Emax/15000 | Emax/10000 |
| 综合误差 | (%FS) | ≤±0.050 | ≤±0.030 | ≤±0.020 | ≤±0.026 | ≤±0.050 |
| 蠕变 | (%FS/30min) | ≤±0.038 | ≤±0.024 | ≤±0.016 | ≤±0.017 | ≤±0.040 |
| 温度对输出灵敏度的影响 | (%FS/10℃) | ≤±0.028 | ≤±0.017 | ≤±0.011 | ≤±0.013 | ≤±0.040 |
| 温度对零点输出的影响 | (%FS/10℃) | ≤±0.047 | ≤±0.023 | ≤±0.015 | ≤±0.014 | ≤±0.020 |
| 输出灵敏度 | (mv/v) | 2.0±0.002 | ||||
| 输入阻抗 | (Ω) | 700±3.5 | ||||
| 输出阻抗 | (Ω) | 703±3.5 | ||||
| 绝缘阻抗 | (MΩ) | ≥5000(50VDC) | ||||
| 零点输出 | (%FS) | 1.5 | ||||
| 温度补偿范围 | (℃) | -10~+40 | ||||
| 允许使用温度范围 | (℃) | -35~+70 | ||||
| 推荐激励电压 | (V) | 5~12(DC) | ||||
| 最大激励电压 | (V) | 18(DC) | ||||
| 安全过载范围 | (%FS) | 150 | ||||
| 极限过载范围 | (%FS) | 300 | ||||
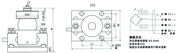
外型尺寸mm(inch)

| 量程(t) | L | L1 | W | W1 |
| 10t-40tSE | 160 (6.29) | 80 (3.15) | 125 (4.92) | 100 (3.93) |
| 40t-50t | 200 (7.87) | 124 (4.88) | 155 (6.1) | 124 (4.88) |
| 量程(t) | H | H1 | D | D1 | D2 | SR |
| 10t-40tSE | 179 (7.04) | 19 (0.74) | 30 (1.18) | 88 (3.46) | 18 (0.70) | 60 (2.36) |
| 40t-50t | 220 (8.66) | 24 (0.84) | 40 (1.57) | 98 (3.85) | 21 (0.82) | 60 (2.36) |
服务热线:400-1010-998
您现在的位置:
