H8C型称重传感器可满足1Kb~20Klb;0.5t~10t量程范围内多种精度等级的测量。
合金钢材料,内部灌胶密封,防油、防水、耐腐蚀,可适用于各种环境。
单剪切梁结构设计,安装使用方便灵活。
适用于电子平台秤、料斗秤等各类电子称重设备。
安全防爆型产品,可用于恶劣环境及危险性场合。
特 性
量程:1Kb~20Klb;0.5t~10t
高精度
合金钢材料
体积小巧,外型美观
技术指标
| 额定载荷 | t | 0. 5/1/1.5/2/2.5/3/5/10 | |||||
| Klb | 1/1.5/2/2.5/3/4/5/7.5/10/20 | ||||||
| 精度 | C2 | C3 | C4 | C5 | A5M | ||
| 认证 | OIML R60 C3 | OIML R60 C4 | OIML R60 C5 | III 5000 多只 | IIIL 10000 多只 | ||
| 最大检定分度数 | n max | 2000 | 3000 | 4000 | 5000 | 5000 | 10000 |
| 最小检定分度值 | v min | Emax/5000 | Emax/10000 | Emax/14000 | Emax/18000 | Emax/15000 | Emax/10000 |
| 综合误差 | (%FS) | ≤±0.030 | ≤±0.020 | ≤±0.018 | ≤±0.010 | ≤±0.026 | ≤±0.050 |
| 蠕变 | (%FS/30min) | ≤±0.024 | ≤±0.016 | ≤±0.012 | ≤±0.010 | ≤±0.017 | ≤±0.040 |
| 温度对输出灵敏度的影响 | (%FS/10℃) | ≤±0.017 | ≤±0.011 | ≤±0.009 | ≤±0.008 | ≤±0.013 | |
| 温度对零点输出的影响 | (%FS/10℃) | ≤±0.023 | ≤±0.015 | ≤±0.010 | ≤±0.007 | ≤±0.014 | ≤±0.020 |
| 输出灵敏度 | (mv/v) | 3.0±0.003 2.0±0.002 | |||||
| 输入阻抗 | (Ω) | 350±3.5 | |||||
| 输出阻抗 | (Ω) | 351±2 | |||||
| 绝缘阻抗 | (MΩ) | ≥5000(100VDC) | |||||
| 零点输出 | (%FS) | ±1.0 | |||||
| 温度补偿范围 | (℃) | -10~+40 | |||||
| 允许使用温度范围 | (℃) | -35~+70 | |||||
| 推荐激励电压 | (V) | 5~12(DC) | |||||
| 最大激励电压 | (V) | 18(DC) | |||||
| 安全过载范围 | (%FS) | 150 | |||||
| 极限过载范围 | (%FS) | 300 | |||||
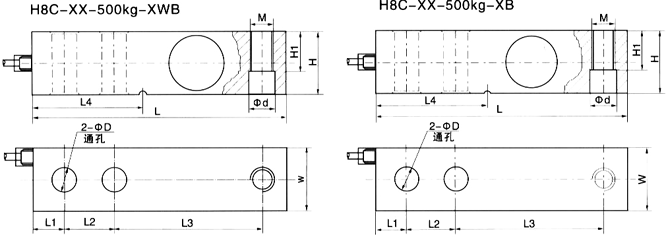
外形尺寸mm(inch)

| 量程 | L | L1 | L2 | L3 | L4 | H | H1 |
| 1t-2t | 130 (5.12) | 15.8 (0.62) | 25.4 (1.0) | 76.2 (3.0) | 54.2 (2.13) | 31.8 (1.25) | 15.8 (0.62) |
| 1K-4K | 130 (5.12) | 15.8 (0.62) | 25.4 (1.0) | 76.2 (3.0) | 54.2 (2.13) | 31.8 (1.25) | 15.8 (0.62) |
| 5KSE | 130 (5.12) | 15.8 (0.62) | 25.4 (1.0) | 76.2 (3.0) | 54.2 (2.13) | 31.8 (1.25) | 15.8 (0.62) |
| 2.5~5t | 171.5 (6.75) | 19.1 (0.75) | 38.1 (1.5) | 95.3 (3.75) | 77.2 (3.04) | 38.1 (1.5) | 18.8 (0.74) |
| 5K~10K | 171.5 (6.75) | 19.1 (0.75) | 38.1 (1.5) | 95.3 (3.75) | 77.2 (3.04) | 38.1 (1.5) | 18.8 (0.74) |
| 10t | 222.3 (8.75) | 25.4 (1.0) | 50.8 (2.0) | 120.7 (4.75) | 101.6 (4) | 50.8 (2.0) | 25.4 (1.0) |
| 20K | 222.3 (8.75) | 25.4 (1.0) | 50.8 (2.0) | 120.7 (4.75) | 101.6 (4) | 50.8 (2.0) | 25.4 (1.0) |
| 量程 | W | W1 | D | d | M |
| 1t-2t | 31.8 (1.25) | 34 (1.34) | 13.5 (0.53) | 13.5 (0.53) | M12×1.75 |
| 1K-4K | 31.8 (1.25) | 34 (1.34) | 13.5 (0.53) | 13.5 (0.53) | 11/2-20UNF |
| 5KSE | 31.8 (1.25) | 34 (1.34) | 13.5 (0.53) | 13.5 (0.53) | 1/2-21UNF |
2.5~5t | 38.1 (1.5) | 40 (1.57) | 19.8 (0.78) | 19.8 (0.78) | M18×1.5 |
| 5K~10K | 38.1 (1.5) | 40 (1.57) | 19.8 (0.78) | 19.8 (0.78) | 3/4-16UNF |
| 10t | 50.8 (2.0) | 52.4 (2.06) | 26.9 (1.06) | 26 (1.02) | M24×2 |
| 20K | 50.8 (2.0) | 52.4 (2.06) | 26.9 (1.06) | 26 (1.02) | 1-12UNF |

| 量程 | L | L1 | L2 | L3 | L4 | H | H1 |
| 500kg | 130 (5.12) | 15.8 (0.62) | 25.4 (1.0) | 76.2 (3.0) | 54.2 (2.13) | 31.8 (1.25) | 15.8 (0.62) |
| 量程 | W | W1 | D | d | M |
| 500kg | 31.8 (1.25) | 34 (1.34) | 13.5 (0.53) | 13.5 (0.53) | M12×1.75 |
系统示意图

服务热线:400-1010-998
您现在的位置:
