L6H5称重传感器可满足4kg-30kg 量程范围内的精确测量。
硅橡胶密封,表面阳极化,防腐性能佳。
适用于包装机械及各类电子称重设备
推荐选择型号:
| 4kg-30kg | C3 | L6H5-C3-xxkg-0.17B |
技术指标
| 额定载荷 | kg | 4/5/6/8/10/15/20/30 |
| 输出灵敏度 | mv/v | 2.0±0.2 |
| 精度 | C3 | |
| 综合误差 | %FS | ±0.02 |
| 蠕变/回零 | %FS/2min | ±0.0167 |
| 温度对输出灵敏度影响 | %FS/10℃ | ±0.0175 |
| 温度对零点输出影响 | %FS/10℃ | ±0.02 |
| 零点输出 | %FS | ±2 |
| 温度补偿范围 | ℃ | -10~+40 |
| 允许使用温度范围 | ℃ | -35~+65 |
| 输入阻抗 | Ω | 406±6 |
| 输出阻抗 | Ω | 350±3 |
| 绝缘阻抗 | MΩ | ≥5000(50VDC) |
| 推荐激励电压 | V | 5~12(DC) |
| 最大激励电压 | V | 18(DC) |
| 安全过载范围 | %FS | 120 |
| 极限过载范围 | %FS | 150 |
| 防护等级 | IP65 | |
| 电缆线规格 | mm | 3.8 |
| 电缆线长度 | m | 0.17 |
| 推荐秤台尺寸 | mm | 200x200 |
| 四角误差 | 0.02%加载值/100mm | |
| 推荐安装扭矩 | N.m | 10 |
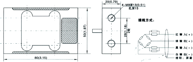
外型尺寸 mm(inch)

服务热线:400-1010-998
您现在的位置:
