L6D21称重传感器可满足2.5kg-50kg量程范围内多种精度等级的测量。
铝合金,平行梁结构
特种密封工艺,表面阳极化,防水与耐腐蚀性佳。
整体结构,安装使用方便。
适用于电子计价秤、电子平台秤等各类电子称重设备。
特 征
量程:3kg-50kg。
防水性能优异。
高精度。
最大台面尺寸: 250x50mm。
技术指标
| 额定载荷 | (kg) | 3/6/10/15/20/30/40/50 | ||
| 精度 | C3D | C3 | C3G | |
| 最大检定分度数 | 2500 | 3000 | 4000 | |
| 最小检定分度值 | (g) | Emax/5000 | Emax/7000 | Emax/11000 |
| 综合误差 | (%FS) | ≤±0.030 | ≤±0.020 | ≤±0.015 |
| 蠕变 | (%FS/30min) | ≤±0.020 | ≤±0.0167 | ≤±0.0125 |
| 温度对输出灵敏度影响 | (%FS/10℃) | ≤±0.021 | ≤±0.0175 | ≤±0.0131 |
| 温度对零点影响 | (%FS/10℃) | ≤±0.028 | ≤±0.020 | ≤±0.0127 |
| 输出灵敏度 | (mv/v) | 2.0±0.2 | ||
| 输入阻抗 | (Ω) | 406±6 | ||
| 输出阻抗 | (Ω) | 350±3 | ||
| 绝缘阻抗 | (MΩ) | ≥5000(50VDC) | ||
| 零点输出 | (%FS) | 2 | ||
| 温度补偿范围 | (℃) | -10--+40 | ||
| 允许使用温度范围 | (℃) | -35--+65 | ||
| 推荐激励电压 | (V) | 5--12(DC) | ||
| 最大激励电压 | 18(DC) | |||
| 安全过载范围 | (%FS) | 150 | ||
| 极限过载范围 | (%FS) | 300 | ||
| 四角误差 | 0.02% 加载值/100mm | |||
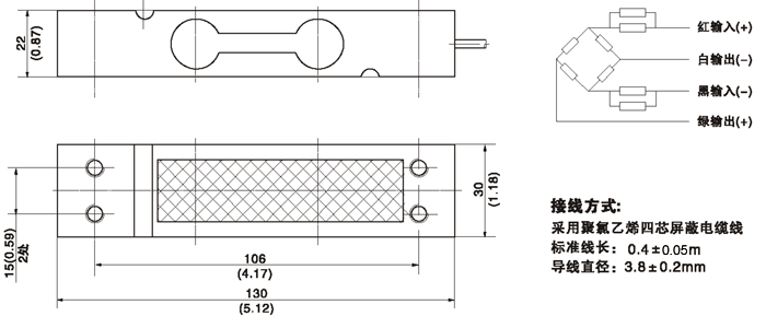
外型尺寸mm(inch)

服务热线:400-1010-998
您现在的位置:
